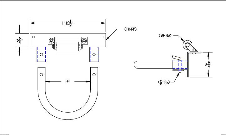
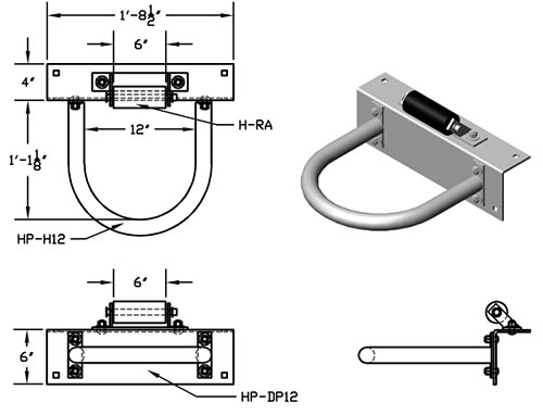
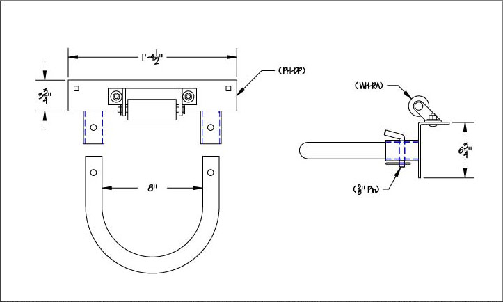
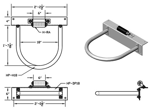
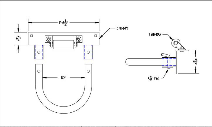
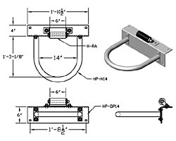
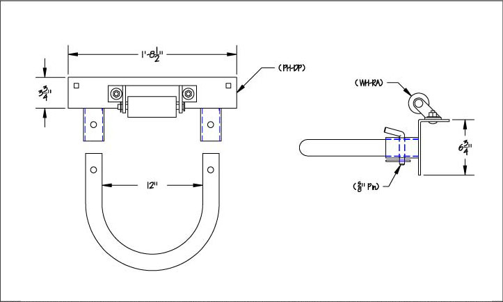
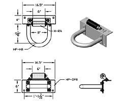
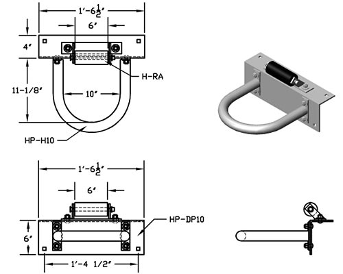
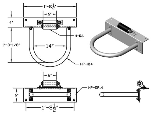
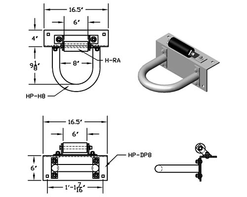
 Hoop, Deck Plate, and Roller, Complete |
Our convertible Hoop Pile Holders have 3 basic pieces, a dock bracket, a hoop and a roller assembly. This allows you to have a hoop pile holder the way you want it, whether it be a permanent hoop, a removable hoop or a hoop with a roller. All hoops are 1½" schedule 40 pipe. The dock brackets are 4" x 6"x ¼" angle. The roller assembly features a 6" solid rubber roller and can be bolted to the deck plate or directly to the dock. All parts are hot dipped galvanized. |