|
|
|
DOCK HARDWARE IN BC AND ALBERTA CANADA
 |
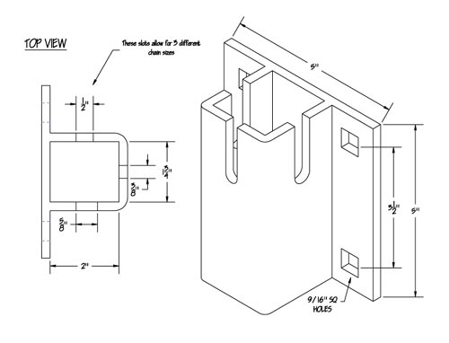
| (H-CRS) Our Chain Retainer bolts to the side of your dock and uses chain to hold the dock in place. You can use 5/16", 3/8" or 1/2"chain. Use either (2) H-W or (1) B as back up plates. 5" L x 5" H. |
|
|
|
Related items that you may need. Click to view.
 Build-A-Dock
 Dock Accessories
 Ace Floats
|